Voltage divider circuite 31 Signal detection and processing Input and Circuit Diagram Ideal Voltage Divider There are two important parts to the voltage divider: the circuit and the equation. The Circuit A voltage divider involves applying a voltage source across a series of two resistors. You may see it drawn a few different ways, but they should always essentially be the same circuit. Examples of voltage divider schematics.
A voltage divider is a simple yet powerful circuit that reduces a higher voltage to a lower one using two resistors. It is commonly used to reduce the voltage for devices that require lower operating voltages, such as sensors or microcontrollers. The output voltage of a voltage divider can be calculated using the voltage divider equation: Where: A voltage divider is a simple circuit which turns a large voltage into a smaller one. Using just two series resistors and an input voltage, we can create an output voltage that is a fraction of the input. Real-life voltage divider applications. Suggested Reading. This tutorial builds on basic electronics knowledge. If you haven't already

Circuits, Equation and Applications Circuit Diagram
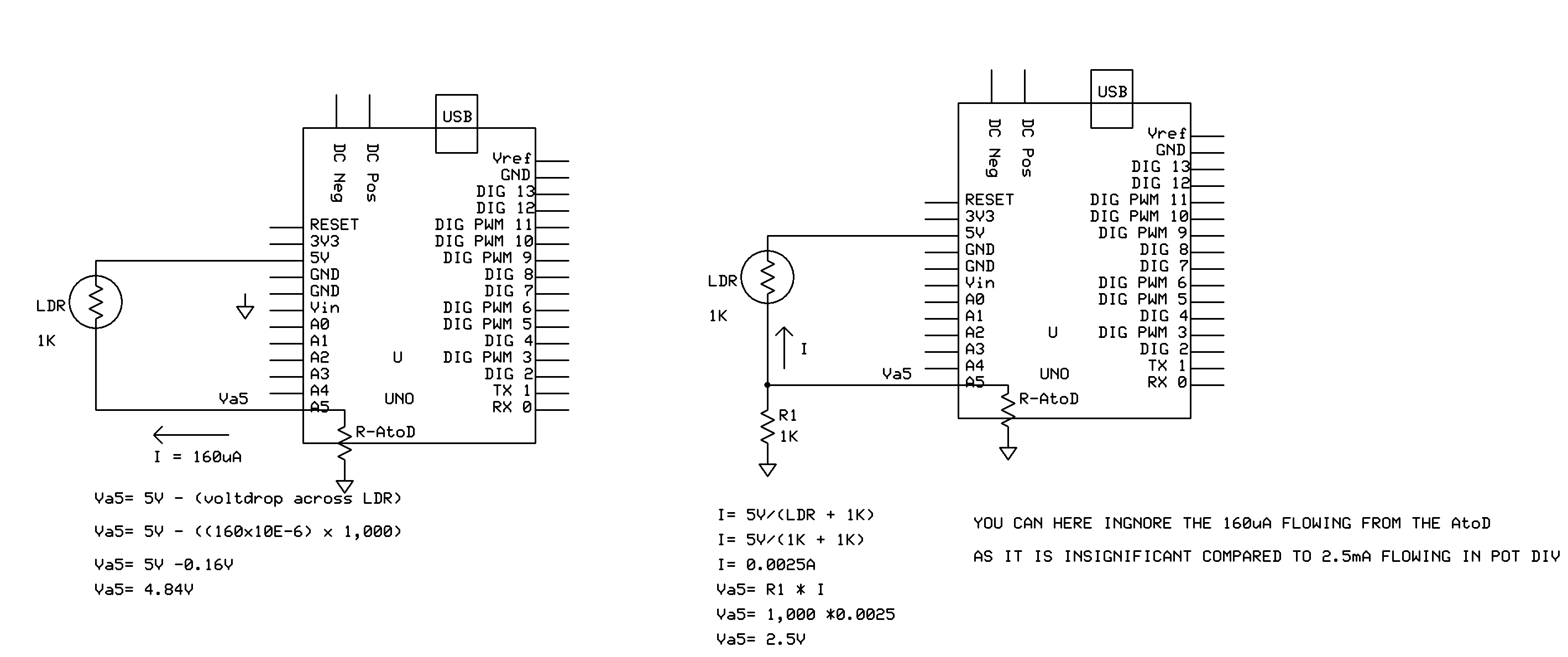
This is where the hero: A voltage divider comes in and saves the day acting as a level shifter which interfaces two circuits that use different operating voltages. The voltage divider can help level the voltage down from a microcontroller (eg. 5V to 3.3V) to avoid damage to the sensor which makes it safe for the sensor to handle. The most basic and commonly used voltage divider circuit is that of two fixed-value series resistors, but a potentiometer or rheostat can also be used for voltage division by simply adjusting its wiper position. A very common application of a voltage divider circuit is to replace one of the fixed-value resistors with a sensor.

A voltage divider is a circuit that creates a smaller voltage from an input voltage by using two resistors. You'll see it in both simple and advanced circuits all the time. Here's the basic setup: For example, the thermistor is a temperature sensor. It changes its resistance based on the temperature.

How Voltage Divider Circuit Works Circuit Diagram
In this video, I am talking about what is a voltage divider, how it works, and how to use it as a voltage sensor.Join this channel to support me or to get ac Figure 2: Resistive Voltage Divider Circuit. The input voltage V in is applied across the two resistors R 1 & R 2 which are connected in series. The output voltage V out is obtained between the two terminals of the resistor R 2. The voltage across this resistor will be a fraction of the input voltage V in. The formula to calculate the output of Voltage Divider Circuits are very important in Analog Electronics as well as Sensor interfacing to the microcontrollers. Basic operation of this simple circuit is to reduce the input Voltage level (Vin) into desired Low Voltage Output (Vout) by using two passive Resistors. By understanding its operation and needs we can bias any components with the given input voltage.